轴承专区
Bearings Center
304235轴承-SKF 304235轴承尺寸、图纸、价格
SKF 304235轴承
| 产品名称: | 304235轴承 | 品牌: | SKF |
|---|---|---|---|
| 类型: | SKF轴承 > 滚动轴承 > 深沟球轴承 | ||
| 描述: | 304235轴承是【SKF轴承 > 滚动轴承 > 深沟球轴承】的型号,主要用在内燃机、燃料喷射泵、汽车发动机、齿轮减速装置、造纸机械、石油钻机、挤压机、塑料、给料机械、码垛机器人等各大领域 | ||
电话/微信:138-8949-5179
SKF 304235轴承详细信息
304235轴承是【SKF轴承 > 滚动轴承 > 深沟球轴承】的型号,主要用在内燃机、燃料喷射泵、汽车发动机、齿轮减速装置、造纸机械、石油钻机、挤压机、塑料、给料机械、码垛机器人等各大领域。
SKF 304235轴承详细参数
| 深沟球轴承, 单列,带装球缺口,不带保持架 | ||||||
| 主要数据尺寸 | 基本负荷额定值 | 体积 | 型号 | |||
| 静态 | ||||||
| d | D | B | C0 | |||
| mm | kN | kg | - | |||
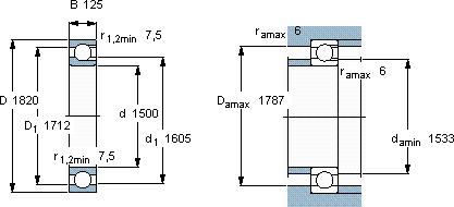
| 1500 | 1820 | 125 | 6940 | 615 | 304235 | |
SKF 304235轴承尺寸图纸

