李工:138-8949-5179 刘工:135-0428-8802
型号查询
轴承型号   常见搜索: 71913轴承 32313轴承 6017轴承 617轴承 6006轴承 6010轴承
型号查询 X

轴承专区

Bearings Center

7207 BECBP *轴承-SKF 7207 BECBP *轴承尺寸、图纸、价格

SKF 7207 BECBP *轴承

产品名称:7207 BECBP *轴承 品牌:SKF
类型:SKF轴承 > 滚动轴承 > 角接触球轴承
描述:7207 BECBP *轴承是【SKF轴承 > 滚动轴承 > 角接触球轴承】的型号,主要用在仪表、各类变速器、木工机械、铁路车辆、各类产业用减速机、机床主轴、碾煤机、音像设备、挖掘机、坦克等各大领域

 电话/微信:138-8949-5179

SKF 7207 BECBP *轴承详细信息

7207 BECBP *轴承是【SKF轴承 > 滚动轴承 > 角接触球轴承】的型号,主要用在仪表、各类变速器、木工机械、铁路车辆、各类产业用减速机、机床主轴、碾煤机、音像设备、挖掘机、坦克等各大领域。

SKF 7207 BECBP *轴承详细参数

角接触球轴承, 单列
主要数据尺寸尺寸 [英寸]疲劳负荷限值额定速度体积型号
动态静态参照速度限制速度
dDBCC0Pu * - SKF Explorer 轴承
mmkNkNr/minkg-
3572173120,80,8812000120000,287207 BECBP *

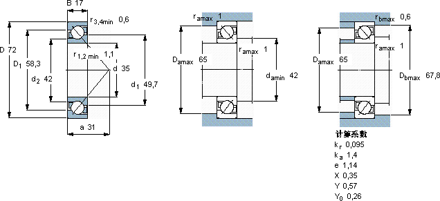
SKF 7207 BECBP *轴承尺寸图纸

李工:138-8949-5179

刘工:135-0428-8802

地址:辽宁省大连经济技术开发区现代城3栋-13-13号

在线客服系统