轴承专区
Bearings Center
23226 CCK/W33 + H 2326轴承-SKF 23226 CCK/W33 + H 2326轴承尺寸、图纸、价格
SKF 23226 CCK/W33 + H 2326轴承
| 产品名称: | 23226 CCK/W33 + H 2326轴承 | 品牌: | SKF |
|---|---|---|---|
| 类型: | SKF轴承 > 滚动轴承 > 球面滚子轴承 | ||
| 描述: | 23226 CCK/W33 + H 2326轴承是【SKF轴承 > 滚动轴承 > 球面滚子轴承】的型号,主要用在铁路车辆、油泵、纺织机械传动轴、机床主轴、木工机械、石油钻机、冶炼厂、化纤机械、解体机、机械手等各大领域 | ||
电话/微信:138-8949-5179
SKF 23226 CCK/W33 + H 2326轴承详细信息
23226 CCK/W33 + H 2326轴承是【SKF轴承 > 滚动轴承 > 球面滚子轴承】的型号,主要用在铁路车辆、油泵、纺织机械传动轴、机床主轴、木工机械、石油钻机、冶炼厂、化纤机械、解体机、机械手等各大领域。
SKF 23226 CCK/W33 + H 2326轴承详细参数
| 球面滚子轴承, 带紧定套的 | ||||||||||
| 主要数据尺寸 | 基本负荷额定值 | 疲劳负荷限值 | 额定速度 | 体积 | 型号 | |||||
| 动态 | 静态 | 参照速度 | 限制速度 | 轴承 + 紧定套 | ||||||
| d1 | D | B | C | C0 | Pu | |||||
| mm | kN | kN | r/min | kg | - | |||||
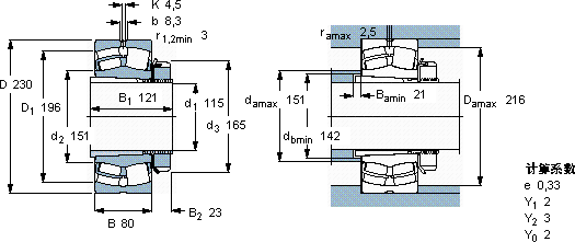
| 115 | 230 | 80 | 780 | 1060 | 104 | 1900 | 2600 | 18,5 | 23226 CCK/W33 + H 2326 | |
SKF 23226 CCK/W33 + H 2326轴承尺寸图纸

