李工:138-8949-5179 刘工:135-0428-8802
型号查询
轴承型号   常见搜索: 7014轴承 6007轴承 6021轴承 6309轴承 6900轴承 6016轴承
型号查询 X

轴承专区

Bearings Center

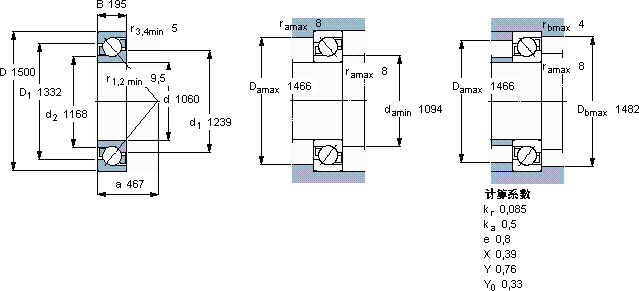
70/1060 AMB轴承-SKF 70/1060 AMB轴承尺寸、图纸、价格

SKF 70/1060 AMB轴承

产品名称:70/1060 AMB轴承 品牌:SKF
类型:SKF轴承 > 滚动轴承 > 角接触球轴承
描述:70/1060 AMB轴承是【SKF轴承 > 滚动轴承 > 角接触球轴承】的型号,主要用在内燃机、油泵、挖土机履带轮、机床主轴、振动筛、起重机吊钩、挤压机、纺织、专用车、抓钢机等各大领域

 电话/微信:138-8949-5179

SKF 70/1060 AMB轴承详细信息

70/1060 AMB轴承是【SKF轴承 > 滚动轴承 > 角接触球轴承】的型号,主要用在内燃机、油泵、挖土机履带轮、机床主轴、振动筛、起重机吊钩、挤压机、纺织、专用车、抓钢机等各大领域。

SKF 70/1060 AMB轴承详细参数

角接触球轴承, 单列
主要数据尺寸尺寸 [英寸]疲劳负荷限值额定速度体积型号
动态静态参照速度限制速度
dDBCC0Pu
mmkNkNr/minkg-
106015001951680570071320340105070/1060 AMB

SKF 70/1060 AMB轴承尺寸图纸

李工:138-8949-5179

刘工:135-0428-8802

地址:辽宁省大连经济技术开发区现代城3栋-13-13号

在线客服系统