轴承专区
Bearings Center
SIKAC 14 M轴承-SKF SIKAC 14 M轴承尺寸、图纸、价格
SKF SIKAC 14 M轴承
| 产品名称: | SIKAC 14 M轴承 | 品牌: | SKF |
|---|---|---|---|
| 类型: | SKF轴承 > 球面滑动轴承和杆端关节轴承 > 需维护的杆端关节轴承 | ||
| 描述: | SIKAC 14 M轴承是【SKF轴承 > 球面滑动轴承和杆端关节轴承 > 需维护的杆端关节轴承】的型号,主要用在飞机喷气式发动机、机床主轴、提升机、汽车、木工机械、耕耘机、燃机、纺织、平地机、坦克等各大领域 | ||
电话/微信:138-8949-5179
SKF SIKAC 14 M轴承详细信息
SIKAC 14 M轴承是【SKF轴承 > 球面滑动轴承和杆端关节轴承 > 需维护的杆端关节轴承】的型号,主要用在飞机喷气式发动机、机床主轴、提升机、汽车、木工机械、耕耘机、燃机、纺织、平地机、坦克等各大领域。
SKF SIKAC 14 M轴承详细参数
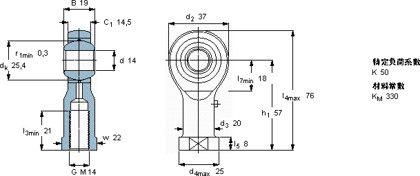
| 需要维护的杆端, 钢对青铜,阴螺纹 | |||||||||||
| 主要数据尺寸 | 角度倾的 | 基本负荷额定值 | 质量 | 型号 | |||||||
| 动态 | 静态 | 轴承座完全与 | |||||||||
| d | d2 | B | d3 | C1 | h1 | ± | C | C0 | |||
| 6H | |||||||||||
| mm | 度数 | kN | kg | - | |||||||
| 14 | 37 | 19 | M 14 | 14,5 | 57 | 15 | 17 | 20,4 | 0,18 | SIKAC 14 M | |
SKF SIKAC 14 M轴承尺寸图纸

