轴承专区
Bearings Center
6412轴承-SKF 6412轴承尺寸、图纸、价格
SKF 6412轴承
| 产品名称: | 6412轴承 | 品牌: | SKF |
|---|---|---|---|
| 类型: | SKF轴承 > 滚动轴承 > 深沟球轴承 | ||
| 描述: | 6412轴承是【SKF轴承 > 滚动轴承 > 深沟球轴承】的型号,主要用在后轮、燃汽轮机、燃汽轮机、后轮、造纸机械、起重机吊钩、水力发电机、纺织、专用车、焊接机器人等各大领域 | ||
电话/微信:138-8949-5179
SKF 6412轴承详细信息
6412轴承是【SKF轴承 > 滚动轴承 > 深沟球轴承】的型号,主要用在后轮、燃汽轮机、燃汽轮机、后轮、造纸机械、起重机吊钩、水力发电机、纺织、专用车、焊接机器人等各大领域。
SKF 6412轴承详细参数
| 深沟球轴承, 单列, 无密封件 | |||||||||||
| 主要数据尺寸 | 基本负荷额定值 | 疲劳负荷限值 | 额定速度 | 体积 | 型号 | ||||||
| 动态 | 静态 | 参照速度 | 限制速度 | ||||||||
| d | D | B | C | C0 | Pu | ||||||
| mm | kN | kN | r/min | kg | - | ||||||
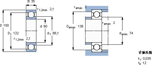
| 60 | 150 | 35 | 108 | 69,5 | 2,9 | 10000 | 6300 | 2,75 | 6412 | ||
SKF 6412轴承尺寸图纸

