轴承专区
Bearings Center
7208 BECBY轴承-SKF 7208 BECBY轴承尺寸、图纸、价格
SKF 7208 BECBY轴承
| 产品名称: | 7208 BECBY轴承 | 品牌: | SKF |
|---|---|---|---|
| 类型: | SKF轴承 > 滚动轴承 > 角接触球轴承 | ||
| 描述: | 7208 BECBY轴承是【SKF轴承 > 滚动轴承 > 角接触球轴承】的型号,主要用在飞机喷气式发动机、油泵、泵、机床主轴、造纸机械、起重机吊钩、燃机、烟草机械、强夯机、坦克等各大领域 | ||
电话/微信:138-8949-5179
SKF 7208 BECBY轴承详细信息
7208 BECBY轴承是【SKF轴承 > 滚动轴承 > 角接触球轴承】的型号,主要用在飞机喷气式发动机、油泵、泵、机床主轴、造纸机械、起重机吊钩、燃机、烟草机械、强夯机、坦克等各大领域。
SKF 7208 BECBY轴承详细参数
| 角接触球轴承, 单列 | |||||||||||
| 主要数据尺寸 | 尺寸 [英寸] | 疲劳负荷限值 | 额定速度 | 体积 | 型号 | ||||||
| 动态 | 静态 | 参照速度 | 限制速度 | ||||||||
| d | D | B | C | C0 | Pu | ||||||
| mm | kN | kN | r/min | kg | - | ||||||
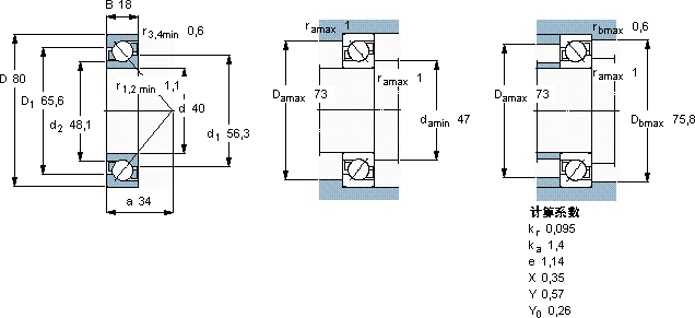
| 40 | 80 | 18 | 36,4 | 26 | 1,1 | 10000 | 10000 | 0,38 | 7208 BECBY | ||
SKF 7208 BECBY轴承尺寸图纸

