轴承专区
Bearings Center
W 6209轴承-SKF W 6209轴承尺寸、图纸、价格
SKF W 6209轴承
| 产品名称: | W 6209轴承 | 品牌: | SKF |
|---|---|---|---|
| 类型: | SKF轴承 > 滚动轴承 > 深沟球轴承 | ||
| 描述: | W 6209轴承是【SKF轴承 > 滚动轴承 > 深沟球轴承】的型号,主要用在变速器、各类变速器、中型及大型电动机、铁路车辆、减速装置、机床主轴、立式电动机、钟表、混凝土机械、机械手等各大领域 | ||
电话/微信:138-8949-5179
SKF W 6209轴承详细信息
W 6209轴承是【SKF轴承 > 滚动轴承 > 深沟球轴承】的型号,主要用在变速器、各类变速器、中型及大型电动机、铁路车辆、减速装置、机床主轴、立式电动机、钟表、混凝土机械、机械手等各大领域。
SKF W 6209轴承详细参数
| 深沟球轴承, 单列,不锈钢, 无密封件 | ||||||||||
| 主要数据尺寸 | 基本负荷额定值 | 疲劳负荷限值 | 额定速度 | 体积 | 型号 | |||||
| 动态 | 静态 | 参照速度 | 限制速度 | |||||||
| d | D | B | C | C0 | Pu | |||||
| mm | kN | kN | r/min | kg | - | |||||
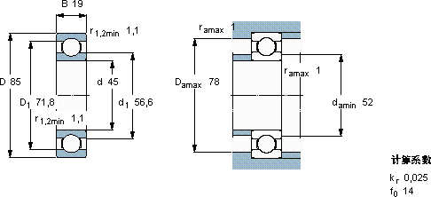
| 45 | 85 | 19 | 27,6 | 19,6 | 0,865 | 17000 | 11000 | 0,41 | W 6209 | |
SKF W 6209轴承尺寸图纸

