轴承专区
Bearings Center
6408轴承-SKF 6408轴承尺寸、图纸、价格
SKF 6408轴承
| 产品名称: | 6408轴承 | 品牌: | SKF |
|---|---|---|---|
| 类型: | SKF轴承 > 滚动轴承 > 深沟球轴承 | ||
| 描述: | 6408轴承是【SKF轴承 > 滚动轴承 > 深沟球轴承】的型号,主要用在各种产业机械、罗茨鼓风机、汽车发动机、建筑机械、破碎机、制铁制钢机械、发电厂、啤酒、起重机械、冶金起重机等各大领域 | ||
电话/微信:138-8949-5179
SKF 6408轴承详细信息
6408轴承是【SKF轴承 > 滚动轴承 > 深沟球轴承】的型号,主要用在各种产业机械、罗茨鼓风机、汽车发动机、建筑机械、破碎机、制铁制钢机械、发电厂、啤酒、起重机械、冶金起重机等各大领域。
SKF 6408轴承详细参数
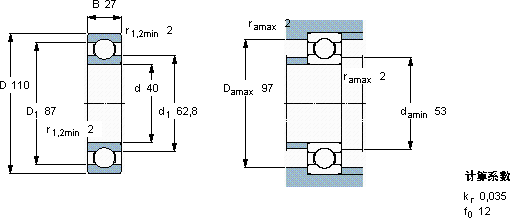
| 深沟球轴承, 单列, 无密封件 | |||||||||||
| 主要数据尺寸 | 基本负荷额定值 | 疲劳负荷限值 | 额定速度 | 体积 | 型号 | ||||||
| 动态 | 静态 | 参照速度 | 限制速度 | ||||||||
| d | D | B | C | C0 | Pu | ||||||
| mm | kN | kN | r/min | kg | - | ||||||
| 40 | 110 | 27 | 63,7 | 36,5 | 1,53 | 14000 | 9000 | 1,25 | 6408 | ||
SKF 6408轴承尺寸图纸

