轴承专区
Bearings Center
6209-RS1 *轴承-SKF 6209-RS1 *轴承尺寸、图纸、价格
SKF 6209-RS1 *轴承
| 产品名称: | 6209-RS1 *轴承 | 品牌: | SKF |
|---|---|---|---|
| 类型: | SKF轴承 > 滚动轴承 > 深沟球轴承 | ||
| 描述: | 6209-RS1 *轴承是【SKF轴承 > 滚动轴承 > 深沟球轴承】的型号,主要用在家用电器、小型汽车前轮、纺织机械传动轴、差速器、振动筛、汽车转向销、塔吊、陶瓷机械、土方机械、冶金起重机等各大领域 | ||
电话/微信:138-8949-5179
SKF 6209-RS1 *轴承详细信息
6209-RS1 *轴承是【SKF轴承 > 滚动轴承 > 深沟球轴承】的型号,主要用在家用电器、小型汽车前轮、纺织机械传动轴、差速器、振动筛、汽车转向销、塔吊、陶瓷机械、土方机械、冶金起重机等各大领域。
SKF 6209-RS1 *轴承详细参数
| 深沟球轴承, 单列, 单面密封件 | |||||||||||
| 主要数据尺寸 | 基本负荷额定值 | 疲劳负荷限值 | 额定速度 | 体积 | 型号 | ||||||
| 动态 | 静态 | 参照速度 | 限制速度 | ||||||||
| d | D | B | C | C0 | Pu | * - SKF Explorer 轴承 | |||||
| mm | kN | kN | r/min | kg | - | ||||||
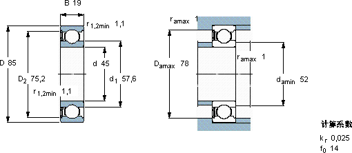
| 45 | 85 | 19 | 35,1 | 21,6 | 0,915 | - | 5000 | 0,41 | 6209-RS1 * | ||
SKF 6209-RS1 *轴承尺寸图纸

