李工:138-8949-5179 刘工:135-0428-8802
型号查询
轴承型号   常见搜索: 617轴承 6007轴承 6214轴承 6305轴承 6012轴承 6019轴承
型号查询 X

轴承专区

Bearings Center

2 x 7314 BEGAP *轴承-SKF 2 x 7314 BEGAP *轴承尺寸、图纸、价格

SKF 2 x 7314 BEGAP *轴承

产品名称:2 x 7314 BEGAP *轴承 品牌:SKF
类型:SKF轴承 > 滚动轴承 > 角接触球轴承
描述:2 x 7314 BEGAP *轴承是【SKF轴承 > 滚动轴承 > 角接触球轴承】的型号,主要用在后轮、油泵、挖土机履带轮、机床主轴、造纸机械、起重机吊钩、水力发电机、薄膜拉伸、专用车、港口起重机等各大领域

 电话/微信:138-8949-5179

SKF 2 x 7314 BEGAP *轴承详细信息

2 x 7314 BEGAP *轴承是【SKF轴承 > 滚动轴承 > 角接触球轴承】的型号,主要用在后轮、油泵、挖土机履带轮、机床主轴、造纸机械、起重机吊钩、水力发电机、薄膜拉伸、专用车、港口起重机等各大领域。

SKF 2 x 7314 BEGAP *轴承详细参数

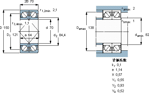
角接触球轴承, 单列,用于配对安装, 面对面配对
主要数据尺寸基本负荷额定值疲劳负荷限值额定速度体积型号轴承配对
动态静态参照速度限制速度
dD2BCC0Pu * - SKF Explorer 轴承
mmkNkNr/minkg--
70150702081967,8450056005,102 × 7314 BEGAP *DF

SKF 2 x 7314 BEGAP *轴承尺寸图纸

李工:138-8949-5179

刘工:135-0428-8802

地址:辽宁省大连经济技术开发区现代城3栋-13-13号

在线客服系统