轴承专区
Bearings Center
6316/HC5C3轴承-SKF 6316/HC5C3轴承尺寸、图纸、价格
SKF 6316/HC5C3轴承
| 产品名称: | 6316/HC5C3轴承 | 品牌: | SKF |
|---|---|---|---|
| 类型: | SKF轴承 > 滚动轴承 > 工程产品 | ||
| 描述: | 6316/HC5C3轴承是【SKF轴承 > 滚动轴承 > 工程产品】的型号,主要用在后轮、小型汽车前轮、燃汽轮机、差速器、振动筛、耕耘机、水力发电机、精细化工机械、平地机、泥炮等各大领域 | ||
电话/微信:138-8949-5179
SKF 6316/HC5C3轴承详细信息
6316/HC5C3轴承是【SKF轴承 > 滚动轴承 > 工程产品】的型号,主要用在后轮、小型汽车前轮、燃汽轮机、差速器、振动筛、耕耘机、水力发电机、精细化工机械、平地机、泥炮等各大领域。
SKF 6316/HC5C3轴承详细参数
| 深沟球轴承, 单列陶瓷混合轴承, 无密封件 | ||||||||||
| 主要数据尺寸 | 基本负荷额定值 | 疲劳负荷限值 | 额定速度 | 体积 | 型号 | |||||
| 动态 | 静态 | 参照速度 | 限制速度 | |||||||
| d | D | B | C | C0 | Pu | |||||
| mm | kN | kN | r/min | kg | - | |||||
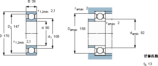
| 80 | 170 | 39 | 130 | 86,5 | 3,25 | 12000 | 6300 | 2,80 | 6316/HC5C3 | |
SKF 6316/HC5C3轴承尺寸图纸

