轴承专区
Bearings Center
HMV 70E轴承-SKF HMV 70E轴承尺寸、图纸、价格
SKF HMV 70E轴承
| 产品名称: | HMV 70E轴承 | 品牌: | SKF |
|---|---|---|---|
| 类型: | SKF轴承 > 滚动轴承 > 轴承附件 | ||
| 描述: | HMV 70E轴承是【SKF轴承 > 滚动轴承 > 轴承附件】的型号,主要用在飞机喷气式发动机、机床主轴、变速器、汽车、木工机械、汽车转向销、燃机、纺织、土方机械、坦克等各大领域 | ||
电话/微信:138-8949-5179
SKF HMV 70E轴承详细信息
HMV 70E轴承是【SKF轴承 > 滚动轴承 > 轴承附件】的型号,主要用在飞机喷气式发动机、机床主轴、变速器、汽车、木工机械、汽车转向销、燃机、纺织、土方机械、坦克等各大领域。
SKF HMV 70E轴承详细参数
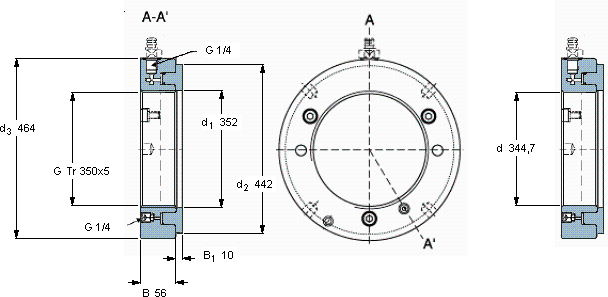
| Hydraulic nuts, metric sizes | ||||||||||||
| 螺纹尺寸 | 尺寸 | Permitted | Piston area | 体积 | 型号 | |||||||
| piston | ||||||||||||
| G | d1 | d2 | d3 | B | B1 | displacement | ||||||
| mm | mm (metric sizes) | mm | mm | mm2 (metric sizes) | kg | - | ||||||
| in - threads/in (inch sizes) | in2 (inch sizes) | |||||||||||
| 350 | Tr 350x5 | 352 | 442 | 464 | 56 | 10 | 14 | 29900 | 35,0 | HMV 70E | HMV 70E/A101 | |
SKF HMV 70E轴承尺寸图纸

