轴承专区
Bearings Center
63/22轴承-SKF 63/22轴承尺寸、图纸、价格
SKF 63/22轴承
| 产品名称: | 63/22轴承 | 品牌: | SKF |
|---|---|---|---|
| 类型: | SKF轴承 > 滚动轴承 > 深沟球轴承 | ||
| 描述: | 63/22轴承是【SKF轴承 > 滚动轴承 > 深沟球轴承】的型号,主要用在各种产业机械、各类变速器、泵、铁路车辆、减速装置、机床主轴、发电厂、烟草机械、挖掘机、塔式车库等各大领域 | ||
电话/微信:138-8949-5179
SKF 63/22轴承详细信息
63/22轴承是【SKF轴承 > 滚动轴承 > 深沟球轴承】的型号,主要用在各种产业机械、各类变速器、泵、铁路车辆、减速装置、机床主轴、发电厂、烟草机械、挖掘机、塔式车库等各大领域。
SKF 63/22轴承详细参数
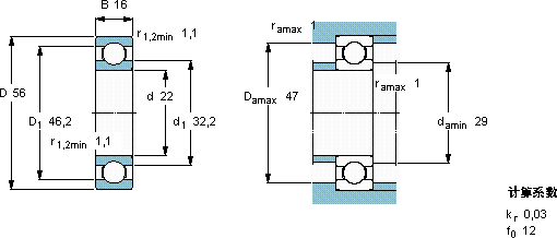
| 深沟球轴承, 单列, 无密封件 | |||||||||||
| 主要数据尺寸 | 基本负荷额定值 | 疲劳负荷限值 | 额定速度 | 体积 | 型号 | ||||||
| 动态 | 静态 | 参照速度 | 限制速度 | ||||||||
| d | D | B | C | C0 | Pu | ||||||
| mm | kN | kN | r/min | kg | - | ||||||
| 22 | 56 | 16 | 18,6 | 9,3 | 0,39 | 28000 | 18000 | 0,18 | 63/22 | ||
SKF 63/22轴承尺寸图纸

