轴承专区
Bearings Center
HMV 88E轴承-SKF HMV 88E轴承尺寸、图纸、价格
SKF HMV 88E轴承
| 产品名称: | HMV 88E轴承 | 品牌: | SKF |
|---|---|---|---|
| 类型: | SKF轴承 > 滚动轴承 > 轴承附件 | ||
| 描述: | HMV 88E轴承是【SKF轴承 > 滚动轴承 > 轴承附件】的型号,主要用在燃汽轮机、离心分离机、挖土机履带轮、变速器、轧钢机齿轮箱座、石油钻机转环、电机厂、电子、轻工机械、抓钢机等各大领域 | ||
电话/微信:138-8949-5179
SKF HMV 88E轴承详细信息
HMV 88E轴承是【SKF轴承 > 滚动轴承 > 轴承附件】的型号,主要用在燃汽轮机、离心分离机、挖土机履带轮、变速器、轧钢机齿轮箱座、石油钻机转环、电机厂、电子、轻工机械、抓钢机等各大领域。
SKF HMV 88E轴承详细参数
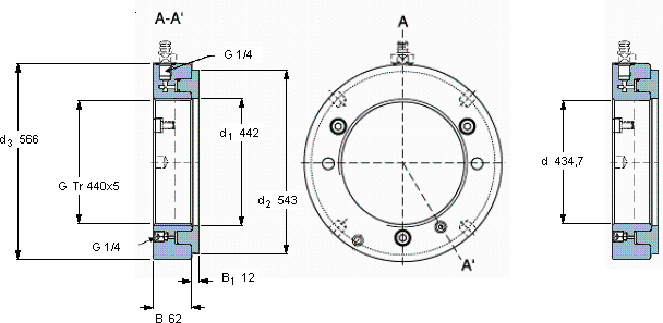
| Hydraulic nuts, metric sizes | ||||||||||||
| 螺纹尺寸 | 尺寸 | Permitted | Piston area | 体积 | 型号 | |||||||
| piston | ||||||||||||
| G | d1 | d2 | d3 | B | B1 | displacement | ||||||
| mm | mm (metric sizes) | mm | mm | mm2 (metric sizes) | kg | - | ||||||
| in - threads/in (inch sizes) | in2 (inch sizes) | |||||||||||
| 440 | Tr 440x5 | 442 | 543 | 566 | 62 | 12 | 17 | 42500 | 54,0 | HMV 88E | HMV 88E/A101 | |
SKF HMV 88E轴承尺寸图纸

