李工:138-8949-5179 刘工:135-0428-8802
型号查询
轴承型号   常见搜索: 6022轴承 6214轴承 6004轴承 6906轴承 6026轴承 2025轴承
型号查询 X

轴承专区

Bearings Center

BDAB 307783轴承-SKF BDAB 307783轴承尺寸、图纸、价格

SKF BDAB 307783轴承

产品名称:BDAB 307783轴承 品牌:SKF
类型:SKF轴承 > 滚动轴承 > 角接触推力球轴承
描述:BDAB 307783轴承是【SKF轴承 > 滚动轴承 > 角接触推力球轴承】的型号,主要用在变速器、离心分离机、木工机械、变速器、减速装置、石油钻机转环、立式电动机、钟表、轻工机械、机械手等各大领域

 电话/微信:138-8949-5179

SKF BDAB 307783轴承详细信息

BDAB 307783轴承是【SKF轴承 > 滚动轴承 > 角接触推力球轴承】的型号,主要用在变速器、离心分离机、木工机械、变速器、减速装置、石油钻机转环、立式电动机、钟表、轻工机械、机械手等各大领域。

SKF BDAB 307783轴承详细参数

角接触推力球轴承, 单向
主要数据尺寸基本负荷额定值疲劳负荷限值最小负荷系数体积型号
动态静态
dDHCC0PuA
mmkNkN-kg-
806,451025,5251271060610085100195BDAB 307783

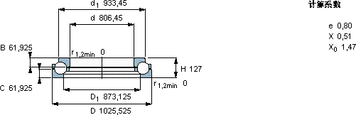
SKF BDAB 307783轴承尺寸图纸

李工:138-8949-5179

刘工:135-0428-8802

地址:辽宁省大连经济技术开发区现代城3栋-13-13号

在线客服系统