轴承专区
Bearings Center
625-2RZTN9/HC5C3WTF1轴承-SKF 625-2RZTN9/HC5C3WTF1轴承尺寸、图纸、价格
SKF 625-2RZTN9/HC5C3WTF1轴承
| 产品名称: | 625-2RZTN9/HC5C3WTF1轴承 | 品牌: | SKF |
|---|---|---|---|
| 类型: | SKF轴承 > 滚动轴承 > 工程产品 | ||
| 描述: | 625-2RZTN9/HC5C3WTF1轴承是【SKF轴承 > 滚动轴承 > 工程产品】的型号,主要用在家用电器、燃汽轮机、减速装置、后轮、木工机械、起重机吊钩、塔吊、饮料设备、专用车、雷达等各大领域 | ||
电话/微信:138-8949-5179
SKF 625-2RZTN9/HC5C3WTF1轴承详细信息
625-2RZTN9/HC5C3WTF1轴承是【SKF轴承 > 滚动轴承 > 工程产品】的型号,主要用在家用电器、燃汽轮机、减速装置、后轮、木工机械、起重机吊钩、塔吊、饮料设备、专用车、雷达等各大领域。
SKF 625-2RZTN9/HC5C3WTF1轴承详细参数
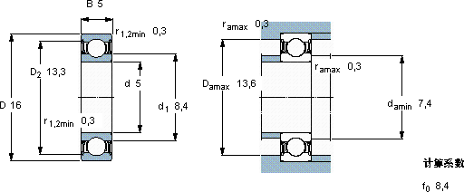
| 深沟球轴承, 单列陶瓷混合轴承, 低摩擦两面密封件 | ||||||||||
| 主要数据尺寸 | 基本负荷额定值 | 疲劳负荷限值 | 额定速度 | 体积 | 型号 | |||||
| 动态 | 静态 | 参照速度 | 限制速度 | |||||||
| d | D | B | C | C0 | Pu | |||||
| mm | kN | kN | r/min | kg | - | |||||
| 5 | 16 | 5 | 1,14 | 0,38 | 0,016 | 130000 | 85000 | 0,0050 | 625-2RZTN9/HC5C3WTF1 | |
SKF 625-2RZTN9/HC5C3WTF1轴承尺寸图纸

