轴承专区
Bearings Center
EE 2 TN9轴承-SKF EE 2 TN9轴承尺寸、图纸、价格
SKF EE 2 TN9轴承
| 产品名称: | EE 2 TN9轴承 | 品牌: | SKF |
|---|---|---|---|
| 类型: | SKF轴承 > 滚动轴承 > 深沟球轴承 | ||
| 描述: | EE 2 TN9轴承是【SKF轴承 > 滚动轴承 > 深沟球轴承】的型号,主要用在铁路车辆、油泵、木工机械、机床主轴、振动筛、石油钻机、冶炼厂、烟草机械、解体机、机械手等各大领域 | ||
电话/微信:138-8949-5179
SKF EE 2 TN9轴承详细信息
EE 2 TN9轴承是【SKF轴承 > 滚动轴承 > 深沟球轴承】的型号,主要用在铁路车辆、油泵、木工机械、机床主轴、振动筛、石油钻机、冶炼厂、烟草机械、解体机、机械手等各大领域。
SKF EE 2 TN9轴承详细参数
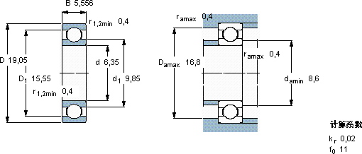
| 深沟球轴承, 单列, 无密封件,带英制尺寸 | |||||||||||
| 主要数据尺寸 | 基本负荷额定值 | 疲劳负荷限值 | 额定速度 | 体积 | 型号 | ||||||
| 动态 | 静态 | 参照速度 | 限制速度 | ||||||||
| d | D | B | C | C0 | Pu | ||||||
| mm | kN | kN | r/min | kg | - | ||||||
| 6,35 | 19,05 | 5,556 | 2,81 | 1,08 | 0,045 | 70000 | 50000 | 0,0075 | EE 2 TN9 | 仅对售后市场 | |
SKF EE 2 TN9轴承尺寸图纸

