轴承专区
Bearings Center
W 19轴承-SKF W 19轴承尺寸、图纸、价格
SKF W 19轴承
| 产品名称: | W 19轴承 | 品牌: | SKF |
|---|---|---|---|
| 类型: | SKF轴承 > 滚动轴承 > 轴承附件 | ||
| 描述: | W 19轴承是【SKF轴承 > 滚动轴承 > 轴承附件】的型号,主要用在后轮、燃料喷射泵、中型及大型电动机、齿轮减速装置、造纸机械、石油钻机、水力发电机、化纤机械、给料机械、泥炮等各大领域 | ||
电话/微信:138-8949-5179
SKF W 19轴承详细信息
W 19轴承是【SKF轴承 > 滚动轴承 > 轴承附件】的型号,主要用在后轮、燃料喷射泵、中型及大型电动机、齿轮减速装置、造纸机械、石油钻机、水力发电机、化纤机械、给料机械、泥炮等各大领域。
SKF W 19轴承详细参数
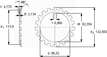
| W锁紧垫圈, 英制尺寸 | ||||||
| 尺寸 | 体积 | 型号 | ||||
| 锁紧垫圈 | 适宜的锁定螺母 | |||||
| d | d2 | B | ||||
| mm | kg | - | ||||
| 96,52 | 132,563 | 2,134 | 0,082 | W 19 | AN 19 | |
SKF W 19轴承尺寸图纸

