轴承专区
Bearings Center
6216/C3VL0241轴承-SKF 6216/C3VL0241轴承尺寸、图纸、价格
SKF 6216/C3VL0241轴承
| 产品名称: | 6216/C3VL0241轴承 | 品牌: | SKF |
|---|---|---|---|
| 类型: | SKF轴承 > 滚动轴承 > 工程产品 | ||
| 描述: | 6216/C3VL0241轴承是【SKF轴承 > 滚动轴承 > 工程产品】的型号,主要用在家用电器、空气压缩机、泵、大型农业机械、造纸机械、汽车转向销、塔吊、玩具、掘进机、雷达等各大领域 | ||
电话/微信:138-8949-5179
SKF 6216/C3VL0241轴承详细信息
6216/C3VL0241轴承是【SKF轴承 > 滚动轴承 > 工程产品】的型号,主要用在家用电器、空气压缩机、泵、大型农业机械、造纸机械、汽车转向销、塔吊、玩具、掘进机、雷达等各大领域。
SKF 6216/C3VL0241轴承详细参数
| 深沟球轴承, 单列,INSOCOAT | ||||||||||
| 主要数据尺寸 | 基本负荷额定值 | 疲劳负荷限值 | 额定速度 | 体积 | 型号 | |||||
| 动态 | 静态 | 参照速度 | 限制速度 | |||||||
| d | D | B | C | C0 | Pu | |||||
| mm | kN | kN | r/min | kg | - | |||||
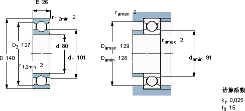
| 80 | 140 | 26 | 72,8 | 55 | 2,2 | 9500 | 6000 | 1,40 | 6216/C3VL0241 | |
SKF 6216/C3VL0241轴承尺寸图纸

