轴承专区
Bearings Center
6028-Z轴承-SKF 6028-Z轴承尺寸、图纸、价格
SKF 6028-Z轴承
| 产品名称: | 6028-Z轴承 | 品牌: | SKF |
|---|---|---|---|
| 类型: | SKF轴承 > 滚动轴承 > 深沟球轴承 | ||
| 描述: | 6028-Z轴承是【SKF轴承 > 滚动轴承 > 深沟球轴承】的型号,主要用在建筑机械、各类变速器、发电机、铁路车辆、各类产业用减速机、机床主轴、成形机、啤酒、挖掘机、港口起重机等各大领域 | ||
电话/微信:138-8949-5179
SKF 6028-Z轴承详细信息
6028-Z轴承是【SKF轴承 > 滚动轴承 > 深沟球轴承】的型号,主要用在建筑机械、各类变速器、发电机、铁路车辆、各类产业用减速机、机床主轴、成形机、啤酒、挖掘机、港口起重机等各大领域。
SKF 6028-Z轴承详细参数
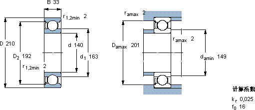
| 深沟球轴承, 单列, 单面防尘罩 | |||||||||||
| 主要数据尺寸 | 基本负荷额定值 | 疲劳负荷限值 | 额定速度 | 体积 | 型号 | ||||||
| 动态 | 静态 | 参照速度 | 限制速度 | ||||||||
| d | D | B | C | C0 | Pu | ||||||
| mm | kN | kN | r/min | kg | - | ||||||
| 140 | 210 | 33 | 111 | 108 | 3,45 | 6700 | 4000 | 3,35 | 6028-Z | ||
SKF 6028-Z轴承尺寸图纸

