李工:138-8949-5179 刘工:135-0428-8802
型号查询
轴承型号   常见搜索: 6019轴承 617轴承 23136轴承 6304轴承 71913轴承 2025轴承
型号查询 X

轴承专区

Bearings Center

6209-2RZTN9/HC5C3WT轴承-SKF 6209-2RZTN9/HC5C3WT轴承尺寸、图纸、价格

SKF 6209-2RZTN9/HC5C3WT轴承

产品名称:6209-2RZTN9/HC5C3WT轴承 品牌:SKF
类型:SKF轴承 > 滚动轴承 > 工程产品
描述:6209-2RZTN9/HC5C3WT轴承是【SKF轴承 > 滚动轴承 > 工程产品】的型号,主要用在燃汽轮机、高频马达、中型及大型电动机、前轮、减速装置、机床等的变速装置、电机厂、化纤机械、压路机、码垛机器人等各大领域

 电话/微信:138-8949-5179

SKF 6209-2RZTN9/HC5C3WT轴承详细信息

6209-2RZTN9/HC5C3WT轴承是【SKF轴承 > 滚动轴承 > 工程产品】的型号,主要用在燃汽轮机、高频马达、中型及大型电动机、前轮、减速装置、机床等的变速装置、电机厂、化纤机械、压路机、码垛机器人等各大领域。

SKF 6209-2RZTN9/HC5C3WT轴承详细参数

深沟球轴承, 单列陶瓷混合轴承, 低摩擦两面密封件
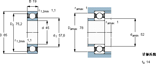
主要数据尺寸基本负荷额定值疲劳负荷限值额定速度体积型号
动态静态参照速度限制速度
dDBCC0Pu
mmkNkNr/minkg-
45851935,121,60,91522000140000,426209-2RZTN9/HC5C3WT

SKF 6209-2RZTN9/HC5C3WT轴承尺寸图纸

李工:138-8949-5179

刘工:135-0428-8802

地址:辽宁省大连经济技术开发区现代城3栋-13-13号

在线客服系统