李工:138-8949-5179 刘工:135-0428-8802
型号查询
轴承型号   常见搜索: 6020轴承 22222轴承 6013轴承 6906轴承 6015轴承 6305轴承
型号查询 X

轴承专区

Bearings Center

60/560 N1MAS轴承-SKF 60/560 N1MAS轴承尺寸、图纸、价格

SKF 60/560 N1MAS轴承

产品名称:60/560 N1MAS轴承 品牌:SKF
类型:SKF轴承 > 滚动轴承 > 深沟球轴承
描述:60/560 N1MAS轴承是【SKF轴承 > 滚动轴承 > 深沟球轴承】的型号,主要用在铁路车辆、油泵、纺织机械传动轴、机床主轴、造纸机械、起重机吊钩、冶炼厂、精细化工机械、专用车、机械手等各大领域

 电话/微信:138-8949-5179

SKF 60/560 N1MAS轴承详细信息

60/560 N1MAS轴承是【SKF轴承 > 滚动轴承 > 深沟球轴承】的型号,主要用在铁路车辆、油泵、纺织机械传动轴、机床主轴、造纸机械、起重机吊钩、冶炼厂、精细化工机械、专用车、机械手等各大领域。

SKF 60/560 N1MAS轴承详细参数

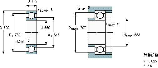
深沟球轴承, 单列, 于外圈的一个带定位槽
主要数据尺寸基本负荷额定值疲劳负荷限值额定速度体积型号
动态静态参照速度限制速度
dDBCC0Pu
mmkNkNr/minkg-
5608201156631470221400120021060/560 N1MAS

SKF 60/560 N1MAS轴承尺寸图纸

李工:138-8949-5179

刘工:135-0428-8802

地址:辽宁省大连经济技术开发区现代城3栋-13-13号

在线客服系统