轴承专区
Bearings Center
6010/HR11TN轴承-SKF 6010/HR11TN轴承尺寸、图纸、价格
SKF 6010/HR11TN轴承
| 产品名称: | 6010/HR11TN轴承 | 品牌: | SKF |
|---|---|---|---|
| 类型: | SKF轴承 > 滚动轴承 > 工程产品 | ||
| 描述: | 6010/HR11TN轴承是【SKF轴承 > 滚动轴承 > 工程产品】的型号,主要用在仪表、离心分离机、挖土机履带轮、变速器、印刷机械、制铁制钢机械、碾煤机、音像设备、起重机械、坦克等各大领域 | ||
电话/微信:138-8949-5179
SKF 6010/HR11TN轴承详细信息
6010/HR11TN轴承是【SKF轴承 > 滚动轴承 > 工程产品】的型号,主要用在仪表、离心分离机、挖土机履带轮、变速器、印刷机械、制铁制钢机械、碾煤机、音像设备、起重机械、坦克等各大领域。
SKF 6010/HR11TN轴承详细参数
| 聚合物球轴承,单列球轴承, POM/POM/stainless steel/PA66 | ||||||||
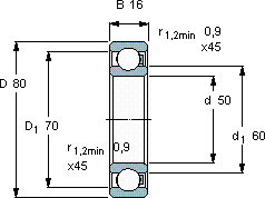
| 主要数据尺寸 | 负荷能力 | 额定速度 | 体积 | 型号 | ||||
| d | D | B | 动态1) | 静态2) | 最大3) | 最大 | - | |
| 1) above 50 °C and/or above 20 % | 3) Consider load carrying | |||||||
| of max speed rating consider | capability reduction according | |||||||
| 2) above 50 °C consider | ||||||||
| mm | kN | r/min | kg | - | ||||
| 50 | 80 | 16 | 0,58 | 0,39 | 600 | 0,082 | 6010/HR11TN | |
SKF 6010/HR11TN轴承尺寸图纸

