轴承专区
Bearings Center
61926轴承-SKF 61926轴承尺寸、图纸、价格
SKF 61926轴承
| 产品名称: | 61926轴承 | 品牌: | SKF |
|---|---|---|---|
| 类型: | SKF轴承 > 滚动轴承 > 深沟球轴承 | ||
| 描述: | 61926轴承是【SKF轴承 > 滚动轴承 > 深沟球轴承】的型号,主要用在变速器、高频马达、挖土机履带轮、前轮、各类产业用减速机、机床等的变速装置、立式电动机、洗染、工程船舶、正面吊等各大领域 | ||
电话/微信:138-8949-5179
SKF 61926轴承详细信息
61926轴承是【SKF轴承 > 滚动轴承 > 深沟球轴承】的型号,主要用在变速器、高频马达、挖土机履带轮、前轮、各类产业用减速机、机床等的变速装置、立式电动机、洗染、工程船舶、正面吊等各大领域。
SKF 61926轴承详细参数
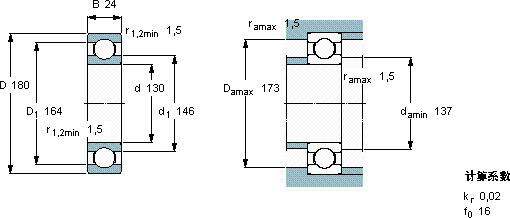
| 深沟球轴承, 单列, 无密封件 | |||||||||||
| 主要数据尺寸 | 基本负荷额定值 | 疲劳负荷限值 | 额定速度 | 体积 | 型号 | ||||||
| 动态 | 静态 | 参照速度 | 限制速度 | ||||||||
| d | D | B | C | C0 | Pu | ||||||
| mm | kN | kN | r/min | kg | - | ||||||
| 130 | 180 | 24 | 65 | 67 | 2,28 | 7500 | 4500 | 1,85 | 61926 | ||
SKF 61926轴承尺寸图纸

