李工:138-8949-5179 刘工:135-0428-8802
型号查询
轴承型号   常见搜索: 6010轴承 6032轴承 22222轴承 6021轴承 2026轴承 6024轴承
型号查询 X

轴承专区

Bearings Center

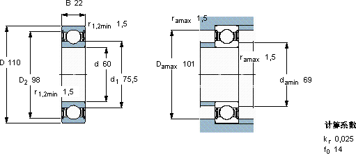
6212-2RS1 *轴承-SKF 6212-2RS1 *轴承尺寸、图纸、价格

SKF 6212-2RS1 *轴承

产品名称:6212-2RS1 *轴承 品牌:SKF
类型:SKF轴承 > 滚动轴承 > 深沟球轴承
描述:6212-2RS1 *轴承是【SKF轴承 > 滚动轴承 > 深沟球轴承】的型号,主要用在通用电动机、离心分离机、汽车发动机、变速器、各类产业用减速机、制铁制钢机械、轧钢机轧制螺杆用减速机、医药设备、堆取料机、太阳能发电设备等各大领域

 电话/微信:138-8949-5179

SKF 6212-2RS1 *轴承详细信息

6212-2RS1 *轴承是【SKF轴承 > 滚动轴承 > 深沟球轴承】的型号,主要用在通用电动机、离心分离机、汽车发动机、变速器、各类产业用减速机、制铁制钢机械、轧钢机轧制螺杆用减速机、医药设备、堆取料机、太阳能发电设备等各大领域。

SKF 6212-2RS1 *轴承详细参数

深沟球轴承, 单列, 两面密封件
主要数据尺寸基本负荷额定值疲劳负荷限值额定速度体积型号
动态静态参照速度限制速度
dDBCC0Pu * - SKF Explorer 轴承
mmkNkNr/minkg-
601102255,3361,53-40000,786212-2RS1 *

SKF 6212-2RS1 *轴承尺寸图纸

李工:138-8949-5179

刘工:135-0428-8802

地址:辽宁省大连经济技术开发区现代城3栋-13-13号

在线客服系统