轴承专区
Bearings Center
FYR 3.15/16 H-18轴承-SKF FYR 3.15/16 H-18轴承尺寸、图纸、价格
SKF FYR 3.15/16 H-18轴承
| 产品名称: | FYR 3.15/16 H-18轴承 | 品牌: | SKF |
|---|---|---|---|
| 类型: | SKF轴承 > 轴承单元 > 法兰滚子轴承单元 | ||
| 描述: | FYR 3.15/16 H-18轴承是【SKF轴承 > 轴承单元 > 法兰滚子轴承单元】的型号,主要用在仪表、离心分离机、中型及大型电动机、变速器、轧钢机齿轮箱座、石油钻机转环、碾煤机、饮料设备、凿岩机械、坦克等各大领域 | ||
电话/微信:138-8949-5179
SKF FYR 3.15/16 H-18轴承详细信息
FYR 3.15/16 H-18轴承是【SKF轴承 > 轴承单元 > 法兰滚子轴承单元】的型号,主要用在仪表、离心分离机、中型及大型电动机、变速器、轧钢机齿轮箱座、石油钻机转环、碾煤机、饮料设备、凿岩机械、坦克等各大领域。
SKF FYR 3.15/16 H-18轴承详细参数
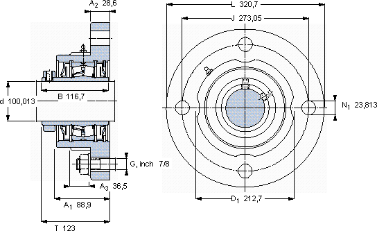
| 带法兰的滚子轴承单元, 锁定套,用于英制的轴, locating units, labyrinth seals | |||||||||||
| 尺寸 | 尺寸 [英寸] | 限制速度 | 质量 | 型号 | 轴承,基本型号 | ||||||
| 动态 | 静态 | ||||||||||
| da | A1 | J | L | T | C | C0 | |||||
| mm | kN | r/min | kg | - | - | ||||||
| 100,013 | 88,9 | 273,05 | 320,7 | 123 | 311 | 415 | 2200 | 24,0 | FYR 3.15/16 H-18 | 22220 | |
SKF FYR 3.15/16 H-18轴承尺寸图纸

