轴承专区
Bearings Center
61904轴承-SKF 61904轴承尺寸、图纸、价格
SKF 61904轴承
| 产品名称: | 61904轴承 | 品牌: | SKF |
|---|---|---|---|
| 类型: | SKF轴承 > 滚动轴承 > 深沟球轴承 | ||
| 描述: | 61904轴承是【SKF轴承 > 滚动轴承 > 深沟球轴承】的型号,主要用在仪表、印刷机械、木工机械、轧钢机辊颈、印刷机械、石油钻机转环、碾煤机、烟草机械、轻工机械、钢包回转台等各大领域 | ||
电话/微信:138-8949-5179
SKF 61904轴承详细信息
61904轴承是【SKF轴承 > 滚动轴承 > 深沟球轴承】的型号,主要用在仪表、印刷机械、木工机械、轧钢机辊颈、印刷机械、石油钻机转环、碾煤机、烟草机械、轻工机械、钢包回转台等各大领域。
SKF 61904轴承详细参数
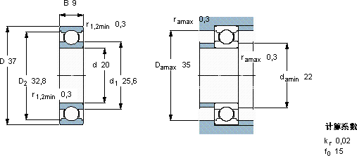
| 深沟球轴承, 单列, 无密封件 | |||||||||||
| 主要数据尺寸 | 基本负荷额定值 | 疲劳负荷限值 | 额定速度 | 体积 | 型号 | ||||||
| 动态 | 静态 | 参照速度 | 限制速度 | ||||||||
| d | D | B | C | C0 | Pu | ||||||
| mm | kN | kN | r/min | kg | - | ||||||
| 20 | 37 | 9 | 6,37 | 3,65 | 0,156 | 43000 | 26000 | 0,038 | 61904 | ||
SKF 61904轴承尺寸图纸

