轴承专区
Bearings Center
60/670 N1MAS轴承-SKF 60/670 N1MAS轴承尺寸、图纸、价格
SKF 60/670 N1MAS轴承
| 产品名称: | 60/670 N1MAS轴承 | 品牌: | SKF |
|---|---|---|---|
| 类型: | SKF轴承 > 滚动轴承 > 深沟球轴承 | ||
| 描述: | 60/670 N1MAS轴承是【SKF轴承 > 滚动轴承 > 深沟球轴承】的型号,主要用在装卸搬运机械、各类变速器、发电机、铁路车辆、破碎机、机床等的变速装置、矿山、破碎、工程船舶、摩天轮等各大领域 | ||
电话/微信:138-8949-5179
SKF 60/670 N1MAS轴承详细信息
60/670 N1MAS轴承是【SKF轴承 > 滚动轴承 > 深沟球轴承】的型号,主要用在装卸搬运机械、各类变速器、发电机、铁路车辆、破碎机、机床等的变速装置、矿山、破碎、工程船舶、摩天轮等各大领域。
SKF 60/670 N1MAS轴承详细参数
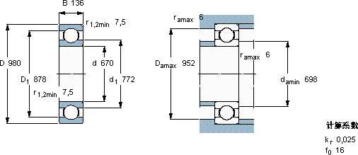
| 深沟球轴承, 单列, 于外圈的一个带定位槽 | |||||||||||
| 主要数据尺寸 | 基本负荷额定值 | 疲劳负荷限值 | 额定速度 | 体积 | 型号 | ||||||
| 动态 | 静态 | 参照速度 | 限制速度 | ||||||||
| d | D | B | C | C0 | Pu | ||||||
| mm | kN | kN | r/min | kg | - | ||||||
| 670 | 980 | 136 | 904 | 2040 | 30 | 1100 | 900 | 345 | 60/670 N1MAS | ||
SKF 60/670 N1MAS轴承尺寸图纸

