李工:138-8949-5179 刘工:135-0428-8802
型号查询
轴承型号   常见搜索: 6004轴承 6020轴承 6309轴承 688a轴承 6028轴承 3214轴承
型号查询 X

轴承专区

Bearings Center

61903-2Z轴承-SKF 61903-2Z轴承尺寸、图纸、价格

SKF 61903-2Z轴承

产品名称:61903-2Z轴承 品牌:SKF
类型:SKF轴承 > 滚动轴承 > 深沟球轴承
描述:61903-2Z轴承是【SKF轴承 > 滚动轴承 > 深沟球轴承】的型号,主要用在农业机械、燃料喷射泵、中型及大型电动机、齿轮减速装置、造纸机械、石油钻机、钢铁厂、纺织、给料机械、机场加油机等各大领域

 电话/微信:138-8949-5179

SKF 61903-2Z轴承详细信息

61903-2Z轴承是【SKF轴承 > 滚动轴承 > 深沟球轴承】的型号,主要用在农业机械、燃料喷射泵、中型及大型电动机、齿轮减速装置、造纸机械、石油钻机、钢铁厂、纺织、给料机械、机场加油机等各大领域。

SKF 61903-2Z轴承详细参数

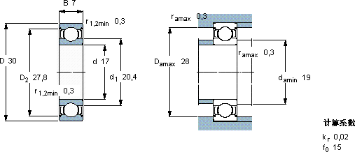
深沟球轴承, 单列, 两面防尘罩
主要数据尺寸基本负荷额定值疲劳负荷限值额定速度体积型号
动态静态参照速度限制速度
dDBCC0Pu
mmkNkNr/minkg-
173074,622,550,10850000260000,01861903-2Z

SKF 61903-2Z轴承尺寸图纸

李工:138-8949-5179

刘工:135-0428-8802

地址:辽宁省大连经济技术开发区现代城3栋-13-13号

在线客服系统