李工:138-8949-5179 刘工:135-0428-8802
型号查询
轴承型号   常见搜索: 6004轴承 6014轴承 6030轴承 6010轴承 7014轴承 6214轴承
型号查询 X

轴承专区

Bearings Center

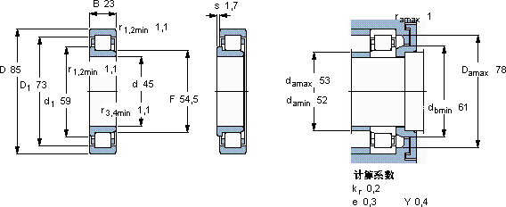
NJ 2209 ECP *轴承-SKF NJ 2209 ECP *轴承尺寸、图纸、价格

SKF NJ 2209 ECP *轴承

产品名称:NJ 2209 ECP *轴承 品牌:SKF
类型:SKF轴承 > 滚动轴承 > 圆柱滚子轴承
描述:NJ 2209 ECP *轴承是【SKF轴承 > 滚动轴承 > 圆柱滚子轴承】的型号,主要用在装卸搬运机械、差速器小齿轮轴、提升机、小齿轮轴、破碎机、机床等的变速装置、矿山、纺织、工程船舶、风力发电设备等各大领域

 电话/微信:138-8949-5179

SKF NJ 2209 ECP *轴承详细信息

NJ 2209 ECP *轴承是【SKF轴承 > 滚动轴承 > 圆柱滚子轴承】的型号,主要用在装卸搬运机械、差速器小齿轮轴、提升机、小齿轮轴、破碎机、机床等的变速装置、矿山、纺织、工程船舶、风力发电设备等各大领域。

SKF NJ 2209 ECP *轴承详细参数

圆柱滚子轴承, 单列, NJ 设计
主要数据尺寸基本负荷额定值疲劳负荷限值额定速度体积型号适宜的斜挡圈
动态静态参照速度限制速度型号
dDBCC0Pu * - SKF Explorer 轴承
mmkNkNr/minkg--
4585238581,510,6900095000,54NJ 2209 ECP *-

SKF NJ 2209 ECP *轴承尺寸图纸

李工:138-8949-5179

刘工:135-0428-8802

地址:辽宁省大连经济技术开发区现代城3栋-13-13号

在线客服系统