轴承专区
Bearings Center
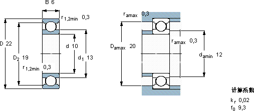
61900轴承-SKF 61900轴承尺寸、图纸、价格
SKF 61900轴承
| 产品名称: | 61900轴承 | 品牌: | SKF |
|---|---|---|---|
| 类型: | SKF轴承 > 滚动轴承 > 深沟球轴承 | ||
| 描述: | 61900轴承是【SKF轴承 > 滚动轴承 > 深沟球轴承】的型号,主要用在农业机械、油泵、变速器、机床主轴、木工机械、石油钻机、钢铁厂、破碎、给料机械、太阳能发电设备等各大领域 | ||
电话/微信:138-8949-5179
SKF 61900轴承详细信息
61900轴承是【SKF轴承 > 滚动轴承 > 深沟球轴承】的型号,主要用在农业机械、油泵、变速器、机床主轴、木工机械、石油钻机、钢铁厂、破碎、给料机械、太阳能发电设备等各大领域。
SKF 61900轴承详细参数
| 深沟球轴承, 单列, 无密封件 | |||||||||||
| 主要数据尺寸 | 基本负荷额定值 | 疲劳负荷限值 | 额定速度 | 体积 | 型号 | ||||||
| 动态 | 静态 | 参照速度 | 限制速度 | ||||||||
| d | D | B | C | C0 | Pu | ||||||
| mm | kN | kN | r/min | kg | - | ||||||
| 10 | 22 | 6 | 2,08 | 0,85 | 0,036 | 75000 | 45000 | 0,010 | 61900 | ||
SKF 61900轴承尺寸图纸

