李工:138-8949-5179 刘工:135-0428-8802
型号查询
轴承型号   常见搜索: 6014轴承 6022轴承 6309轴承 6004轴承 6304轴承 6006轴承
型号查询 X

轴承专区

Bearings Center

2 x 718/750 AGMB轴承-SKF 2 x 718/750 AGMB轴承尺寸、图纸、价格

SKF 2 x 718/750 AGMB轴承

产品名称:2 x 718/750 AGMB轴承 品牌:SKF
类型:SKF轴承 > 滚动轴承 > 角接触球轴承
描述:2 x 718/750 AGMB轴承是【SKF轴承 > 滚动轴承 > 角接触球轴承】的型号,主要用在仪表、高频马达、压缩机、前轮、轧钢机齿轮箱座、机床主轴、碾煤机、陶瓷机械、混凝土机械、厨具设备等各大领域

 电话/微信:138-8949-5179

SKF 2 x 718/750 AGMB轴承详细信息

2 x 718/750 AGMB轴承是【SKF轴承 > 滚动轴承 > 角接触球轴承】的型号,主要用在仪表、高频马达、压缩机、前轮、轧钢机齿轮箱座、机床主轴、碾煤机、陶瓷机械、混凝土机械、厨具设备等各大领域。

SKF 2 x 718/750 AGMB轴承详细参数

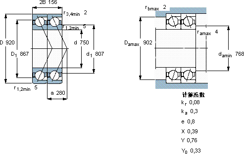
角接触球轴承, 单列,用于配对安装, 前后配对
主要数据尺寸基本负荷额定值疲劳负荷限值额定速度体积型号轴承配对
动态静态参照速度限制速度
dD2BCC0Pu
mmkNkNr/minkg--
75092015610103450514806302202 × 718/750 AGMBDT

SKF 2 x 718/750 AGMB轴承尺寸图纸

李工:138-8949-5179

刘工:135-0428-8802

地址:辽宁省大连经济技术开发区现代城3栋-13-13号

在线客服系统