李工:138-8949-5179 刘工:135-0428-8802
型号查询
轴承型号   常见搜索: 32313轴承 6001轴承 6015轴承 6304轴承 6906轴承 6028轴承
型号查询 X

轴承专区

Bearings Center

YEL 205-015-2FCW轴承-SKF YEL 205-015-2FCW轴承尺寸、图纸、价格

SKF YEL 205-015-2FCW轴承

产品名称:YEL 205-015-2FCW轴承 品牌:SKF
类型:SKF轴承 > 滚动轴承 > Y-轴承
描述:YEL 205-015-2FCW轴承是【SKF轴承 > 滚动轴承 > Y-轴承】的型号,主要用在建筑机械、罗茨鼓风机、泵、建筑机械、减速装置、制铁制钢机械、成形机、塑料、起重机械、泥炮等各大领域

 电话/微信:138-8949-5179

SKF YEL 205-015-2FCW轴承详细信息

YEL 205-015-2FCW轴承是【SKF轴承 > 滚动轴承 > Y-轴承】的型号,主要用在建筑机械、罗茨鼓风机、泵、建筑机械、减速装置、制铁制钢机械、成形机、塑料、起重机械、泥炮等各大领域。

SKF YEL 205-015-2FCW轴承详细参数

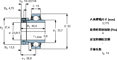
Y-轴承, 带偏心锁定环的, YEL 2-2FCW
主要数据尺寸基本负荷额定值疲劳负荷限值限制速度体积型号
动态静态
dDB1 (B)CCC0Pu用于轴公差h6
mmkNkNr/minkg-
23,8135244,415147,80,33570000,24YEL 205-015-2FCW

SKF YEL 205-015-2FCW轴承尺寸图纸

李工:138-8949-5179

刘工:135-0428-8802

地址:辽宁省大连经济技术开发区现代城3栋-13-13号

在线客服系统