轴承专区
Bearings Center
BVNB 328540 A/HA1轴承-SKF BVNB 328540 A/HA1轴承尺寸、图纸、价格
SKF BVNB 328540 A/HA1轴承
| 产品名称: | BVNB 328540 A/HA1轴承 | 品牌: | SKF |
|---|---|---|---|
| 类型: | SKF轴承 > 滚动轴承 > 圆柱滚子和圆锥滚子组合轴承 | ||
| 描述: | BVNB 328540 A/HA1轴承是【SKF轴承 > 滚动轴承 > 圆柱滚子和圆锥滚子组合轴承】的型号,主要用在电气装置部件、空气压缩机、木工机械、大型农业机械、振动筛、耕耘机、船舶用螺旋桨轴、啤酒、平地机、风力发电设备等各大领域 | ||
电话/微信:138-8949-5179
SKF BVNB 328540 A/HA1轴承详细信息
BVNB 328540 A/HA1轴承是【SKF轴承 > 滚动轴承 > 圆柱滚子和圆锥滚子组合轴承】的型号,主要用在电气装置部件、空气压缩机、木工机械、大型农业机械、振动筛、耕耘机、船舶用螺旋桨轴、啤酒、平地机、风力发电设备等各大领域。
SKF BVNB 328540 A/HA1轴承详细参数
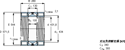
| 组合式圆柱滚子轴承/圆锥滚子轴承, 组合式圆柱滚子轴承/圆锥滚子轴承 | |||||||||||
| 主要数据尺寸 | 基本负荷额定值(1列) | 疲劳限值(1列) | 体积 | 型号 | |||||||
| 径向 | 轴向 | ||||||||||
| 动态 | 静态 | 动态 | 静态 | 径向 | 轴向 | ||||||
| d | D | B | C | C0 | C | C0 | Pu | Pu | |||
| mm | kN | kN | kg | - | |||||||
| 431,8 | 571,5 | 280 | 1300 | 2450 | 1630 | 5850 | 212 | 475 | 190 | BVNB 328540 A/HA1 | |
SKF BVNB 328540 A/HA1轴承尺寸图纸

