轴承专区
Bearings Center
61812-2RS1轴承-SKF 61812-2RS1轴承尺寸、图纸、价格
SKF 61812-2RS1轴承
| 产品名称: | 61812-2RS1轴承 | 品牌: | SKF |
|---|---|---|---|
| 类型: | SKF轴承 > 滚动轴承 > 深沟球轴承 | ||
| 描述: | 61812-2RS1轴承是【SKF轴承 > 滚动轴承 > 深沟球轴承】的型号,主要用在通用电动机、高频马达、减速装置、前轮、破碎机、机床等的变速装置、轧钢机轧制螺杆用减速机、精细化工机械、压路机、机场加油机等各大领域 | ||
电话/微信:138-8949-5179
SKF 61812-2RS1轴承详细信息
61812-2RS1轴承是【SKF轴承 > 滚动轴承 > 深沟球轴承】的型号,主要用在通用电动机、高频马达、减速装置、前轮、破碎机、机床等的变速装置、轧钢机轧制螺杆用减速机、精细化工机械、压路机、机场加油机等各大领域。
SKF 61812-2RS1轴承详细参数
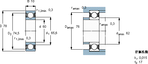
| 深沟球轴承, 单列, 两面密封件 | |||||||||||
| 主要数据尺寸 | 基本负荷额定值 | 疲劳负荷限值 | 额定速度 | 体积 | 型号 | ||||||
| 动态 | 静态 | 参照速度 | 限制速度 | ||||||||
| d | D | B | C | C0 | Pu | ||||||
| mm | kN | kN | r/min | kg | - | ||||||
| 60 | 78 | 10 | 11,9 | 11,4 | 0,49 | - | 4800 | 0,11 | 61812-2RS1 | ||
SKF 61812-2RS1轴承尺寸图纸

