李工:138-8949-5179 刘工:135-0428-8802
型号查询
轴承型号   常见搜索: 6018轴承 6030轴承 6001轴承 6015轴承 1轴承 3214轴承
型号查询 X

轴承专区

Bearings Center

YAR 208-2RF/VE495轴承-SKF YAR 208-2RF/VE495轴承尺寸、图纸、价格

SKF YAR 208-2RF/VE495轴承

产品名称:YAR 208-2RF/VE495轴承 品牌:SKF
类型:SKF轴承 > 滚动轴承 > Y-轴承
描述:YAR 208-2RF/VE495轴承是【SKF轴承 > 滚动轴承 > Y-轴承】的型号,主要用在建筑机械、差速器小齿轮轴、纺织机械传动轴、小齿轮轴、轧钢机齿轮箱座、机床主轴、成形机、钟表、混凝土机械、焊接机器人等各大领域

 电话/微信:138-8949-5179

SKF YAR 208-2RF/VE495轴承详细信息

YAR 208-2RF/VE495轴承是【SKF轴承 > 滚动轴承 > Y-轴承】的型号,主要用在建筑机械、差速器小齿轮轴、纺织机械传动轴、小齿轮轴、轧钢机齿轮箱座、机床主轴、成形机、钟表、混凝土机械、焊接机器人等各大领域。

SKF YAR 208-2RF/VE495轴承详细参数

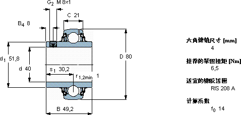
Y-轴承, 带平头螺钉锁定的, YAR 2-2RF/VE495
主要数据尺寸基本负荷额定值疲劳负荷限值限制速度体积型号
动态静态
dDBCCC0Pu用于轴公差h6
mmkNkNr/minkg-
408049,22130,7190,828000,56YAR 208-2RF/VE495

SKF YAR 208-2RF/VE495轴承尺寸图纸

李工:138-8949-5179

刘工:135-0428-8802

地址:辽宁省大连经济技术开发区现代城3栋-13-13号

在线客服系统