轴承专区
Bearings Center
61811轴承-SKF 61811轴承尺寸、图纸、价格
SKF 61811轴承
| 产品名称: | 61811轴承 | 品牌: | SKF |
|---|---|---|---|
| 类型: | SKF轴承 > 滚动轴承 > 深沟球轴承 | ||
| 描述: | 61811轴承是【SKF轴承 > 滚动轴承 > 深沟球轴承】的型号,主要用在通用电动机、各类变速器、发电机、铁路车辆、印刷机械、机床主轴、轧钢机轧制螺杆用减速机、电子、混凝土机械、太阳能发电设备等各大领域 | ||
电话/微信:138-8949-5179
SKF 61811轴承详细信息
61811轴承是【SKF轴承 > 滚动轴承 > 深沟球轴承】的型号,主要用在通用电动机、各类变速器、发电机、铁路车辆、印刷机械、机床主轴、轧钢机轧制螺杆用减速机、电子、混凝土机械、太阳能发电设备等各大领域。
SKF 61811轴承详细参数
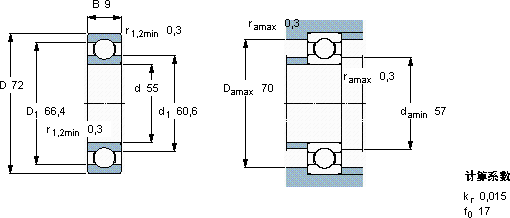
| 深沟球轴承, 单列, 无密封件 | |||||||||||
| 主要数据尺寸 | 基本负荷额定值 | 疲劳负荷限值 | 额定速度 | 体积 | 型号 | ||||||
| 动态 | 静态 | 参照速度 | 限制速度 | ||||||||
| d | D | B | C | C0 | Pu | ||||||
| mm | kN | kN | r/min | kg | - | ||||||
| 55 | 72 | 9 | 9,04 | 8,8 | 0,375 | 19000 | 12000 | 0,083 | 61811 | ||
SKF 61811轴承尺寸图纸

