轴承专区
Bearings Center
61811-2RZ轴承-SKF 61811-2RZ轴承尺寸、图纸、价格
SKF 61811-2RZ轴承
| 产品名称: | 61811-2RZ轴承 | 品牌: | SKF |
|---|---|---|---|
| 类型: | SKF轴承 > 滚动轴承 > 深沟球轴承 | ||
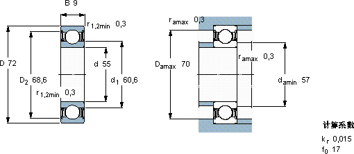
| 描述: | 61811-2RZ轴承是【SKF轴承 > 滚动轴承 > 深沟球轴承】的型号,主要用在仪表、印刷机械、减速装置、轧钢机辊颈、各类产业用减速机、制铁制钢机械、碾煤机、纺织、起重机械、钢包回转台等各大领域 | ||
电话/微信:138-8949-5179
SKF 61811-2RZ轴承详细信息
61811-2RZ轴承是【SKF轴承 > 滚动轴承 > 深沟球轴承】的型号,主要用在仪表、印刷机械、减速装置、轧钢机辊颈、各类产业用减速机、制铁制钢机械、碾煤机、纺织、起重机械、钢包回转台等各大领域。
SKF 61811-2RZ轴承详细参数
| 深沟球轴承, 单列, 低摩擦两面密封件 | |||||||||||
| 主要数据尺寸 | 基本负荷额定值 | 疲劳负荷限值 | 额定速度 | 体积 | 型号 | ||||||
| 动态 | 静态 | 参照速度 | 限制速度 | ||||||||
| d | D | B | C | C0 | Pu | ||||||
| mm | kN | kN | r/min | kg | - | ||||||
| 55 | 72 | 9 | 9,04 | 8,8 | 0,375 | 19000 | 9500 | 0,083 | 61811-2RZ | ||
SKF 61811-2RZ轴承尺寸图纸

