李工:138-8949-5179 刘工:135-0428-8802
型号查询
轴承型号   常见搜索: 6032轴承 6004轴承 6205轴承 6017轴承 6002轴承 6008轴承
型号查询 X

轴承专区

Bearings Center

61811-2RS1轴承-SKF 61811-2RS1轴承尺寸、图纸、价格

SKF 61811-2RS1轴承

产品名称:61811-2RS1轴承 品牌:SKF
类型:SKF轴承 > 滚动轴承 > 深沟球轴承
描述:61811-2RS1轴承是【SKF轴承 > 滚动轴承 > 深沟球轴承】的型号,主要用在家用电器、燃料喷射泵、燃汽轮机、齿轮减速装置、木工机械、石油钻机、塔吊、音像设备、给料机械、冶金起重机等各大领域

 电话/微信:138-8949-5179

SKF 61811-2RS1轴承详细信息

61811-2RS1轴承是【SKF轴承 > 滚动轴承 > 深沟球轴承】的型号,主要用在家用电器、燃料喷射泵、燃汽轮机、齿轮减速装置、木工机械、石油钻机、塔吊、音像设备、给料机械、冶金起重机等各大领域。

SKF 61811-2RS1轴承详细参数

深沟球轴承, 单列, 两面密封件
主要数据尺寸基本负荷额定值疲劳负荷限值额定速度体积型号
动态静态参照速度限制速度
dDBCC0Pu
mmkNkNr/minkg-
557299,048,80,375-53000,08361811-2RS1

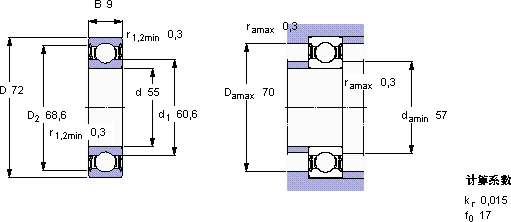
SKF 61811-2RS1轴承尺寸图纸

李工:138-8949-5179

刘工:135-0428-8802

地址:辽宁省大连经济技术开发区现代城3栋-13-13号

在线客服系统