轴承专区
Bearings Center
HMVC 32E轴承-SKF HMVC 32E轴承尺寸、图纸、价格
SKF HMVC 32E轴承
| 产品名称: | HMVC 32E轴承 | 品牌: | SKF |
|---|---|---|---|
| 类型: | SKF轴承 > 滚动轴承 > 轴承附件 | ||
| 描述: | HMVC 32E轴承是【SKF轴承 > 滚动轴承 > 轴承附件】的型号,主要用在通用电动机、印刷机械、挖土机履带轮、轧钢机辊颈、减速装置、制铁制钢机械、轧钢机轧制螺杆用减速机、钟表、起重机械、刮泥机等各大领域 | ||
电话/微信:138-8949-5179
SKF HMVC 32E轴承详细信息
HMVC 32E轴承是【SKF轴承 > 滚动轴承 > 轴承附件】的型号,主要用在通用电动机、印刷机械、挖土机履带轮、轧钢机辊颈、减速装置、制铁制钢机械、轧钢机轧制螺杆用减速机、钟表、起重机械、刮泥机等各大领域。
SKF HMVC 32E轴承详细参数
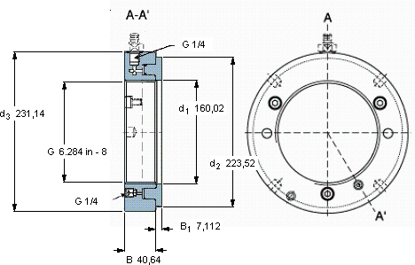
| Hydraulic nuts, inch sizes | ||||||||||||
| 螺纹尺寸 | 尺寸 | Permitted | Piston area | 体积 | 型号 | |||||||
| piston | ||||||||||||
| G | d1 | d2 | d3 | B | B1 | displacement | ||||||
| mm | mm (metric sizes) | mm | mm | mm2 (metric sizes) | kg | - | ||||||
| in - threads/in (inch sizes) | in2 (inch sizes) | |||||||||||
| 157,551 | 6.284 in - 8 | 160,02 | 223,52 | 231,14 | 40,64 | 7,112 | 6,096 | 13,3 | 16,8 | HMVC 32E | - | |
SKF HMVC 32E轴承尺寸图纸

