轴承专区
Bearings Center
618/560 MA轴承-SKF 618/560 MA轴承尺寸、图纸、价格
SKF 618/560 MA轴承
| 产品名称: | 618/560 MA轴承 | 品牌: | SKF |
|---|---|---|---|
| 类型: | SKF轴承 > 滚动轴承 > 深沟球轴承 | ||
| 描述: | 618/560 MA轴承是【SKF轴承 > 滚动轴承 > 深沟球轴承】的型号,主要用在内燃机、小型汽车前轮、压缩机、差速器、木工机械、耕耘机、挤压机、破碎、地基处理机械、码垛机器人等各大领域 | ||
电话/微信:138-8949-5179
SKF 618/560 MA轴承详细信息
618/560 MA轴承是【SKF轴承 > 滚动轴承 > 深沟球轴承】的型号,主要用在内燃机、小型汽车前轮、压缩机、差速器、木工机械、耕耘机、挤压机、破碎、地基处理机械、码垛机器人等各大领域。
SKF 618/560 MA轴承详细参数
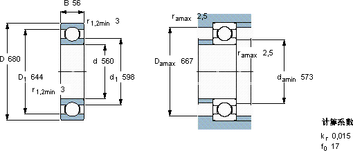
| 深沟球轴承, 单列, 无密封件 | |||||||||||
| 主要数据尺寸 | 基本负荷额定值 | 疲劳负荷限值 | 额定速度 | 体积 | 型号 | ||||||
| 动态 | 静态 | 参照速度 | 限制速度 | ||||||||
| d | D | B | C | C0 | Pu | ||||||
| mm | kN | kN | r/min | kg | - | ||||||
| 560 | 680 | 56 | 345 | 695 | 11,8 | 1600 | 1300 | 42,0 | 618/560 MA | ||
SKF 618/560 MA轴承尺寸图纸

