轴承专区
Bearings Center
16028轴承-SKF 16028轴承尺寸、图纸、价格
SKF 16028轴承
| 产品名称: | 16028轴承 | 品牌: | SKF |
|---|---|---|---|
| 类型: | SKF轴承 > 滚动轴承 > 深沟球轴承 | ||
| 描述: | 16028轴承是【SKF轴承 > 滚动轴承 > 深沟球轴承】的型号,主要用在电气装置部件、小型汽车前轮、桥式起重机、差速器、轧钢机辊道子、耕耘机、船舶用螺旋桨轴、音像设备、地基处理机械、伽玛等各大领域 | ||
电话/微信:138-8949-5179
SKF 16028轴承详细信息
16028轴承是【SKF轴承 > 滚动轴承 > 深沟球轴承】的型号,主要用在电气装置部件、小型汽车前轮、桥式起重机、差速器、轧钢机辊道子、耕耘机、船舶用螺旋桨轴、音像设备、地基处理机械、伽玛等各大领域。
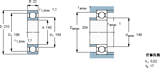
SKF 16028轴承详细参数
| 深沟球轴承, 单列, 无密封件 | |||||||||||
| 主要数据尺寸 | 基本负荷额定值 | 疲劳负荷限值 | 额定速度 | 体积 | 型号 | ||||||
| 动态 | 静态 | 参照速度 | 限制速度 | ||||||||
| d | D | B | C | C0 | Pu | ||||||
| mm | kN | kN | r/min | kg | - | ||||||
| 140 | 210 | 22 | 80,6 | 86,5 | 2,8 | 6700 | 4000 | 2,50 | 16028 | ||
SKF 16028轴承尺寸图纸

