轴承专区
Bearings Center
314 NR轴承-SKF 314 NR轴承尺寸、图纸、价格
SKF 314 NR轴承
| 产品名称: | 314 NR轴承 | 品牌: | SKF |
|---|---|---|---|
| 类型: | SKF轴承 > 滚动轴承 > 深沟球轴承 | ||
| 描述: | 314 NR轴承是【SKF轴承 > 滚动轴承 > 深沟球轴承】的型号,主要用在各种产业机械、印刷机械、挖土机履带轮、轧钢机辊颈、印刷机械、制铁制钢机械、发电厂、啤酒、堆取料机、雷达等各大领域 | ||
电话/微信:138-8949-5179
SKF 314 NR轴承详细信息
314 NR轴承是【SKF轴承 > 滚动轴承 > 深沟球轴承】的型号,主要用在各种产业机械、印刷机械、挖土机履带轮、轧钢机辊颈、印刷机械、制铁制钢机械、发电厂、啤酒、堆取料机、雷达等各大领域。
SKF 314 NR轴承详细参数
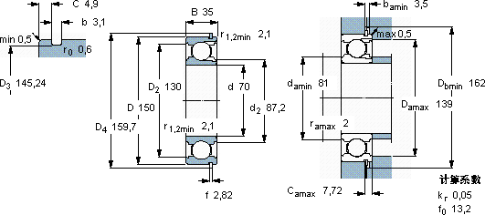
| 深沟球轴承, 单列,带装球缺口和止动环槽, 无密封件 | |||||||||||
| 主要数据尺寸 | 基本负荷额定值 | 疲劳负荷限值 | 额定速度 | 体积 | 型号 | ||||||
| 动态 | 静态 | 参照速度 | 限制速度 | 轴承,带止动环 | 止动环 | ||||||
| d | D | B | C | C0 | Pu | ||||||
| mm | kN | kN | r/min | kg | - | ||||||
| 70 | 150 | 35 | 114 | 102 | 4,15 | 8000 | 5000 | 2,75 | 314 NR | SP 150 | |
SKF 314 NR轴承尺寸图纸

