李工:138-8949-5179 刘工:135-0428-8802
型号查询
轴承型号   常见搜索: 6305轴承 6001轴承 6006轴承 6009轴承 6309轴承 6018轴承
型号查询 X

轴承专区

Bearings Center

2 x 7311 BECCM *轴承-SKF 2 x 7311 BECCM *轴承尺寸、图纸、价格

SKF 2 x 7311 BECCM *轴承

产品名称:2 x 7311 BECCM *轴承 品牌:SKF
类型:SKF轴承 > 滚动轴承 > 角接触球轴承
描述:2 x 7311 BECCM *轴承是【SKF轴承 > 滚动轴承 > 角接触球轴承】的型号,主要用在装卸搬运机械、罗茨鼓风机、中型及大型电动机、建筑机械、破碎机、石油钻机转环、矿山、洗染、凿岩机械、伽玛等各大领域

 电话/微信:138-8949-5179

SKF 2 x 7311 BECCM *轴承详细信息

2 x 7311 BECCM *轴承是【SKF轴承 > 滚动轴承 > 角接触球轴承】的型号,主要用在装卸搬运机械、罗茨鼓风机、中型及大型电动机、建筑机械、破碎机、石油钻机转环、矿山、洗染、凿岩机械、伽玛等各大领域。

SKF 2 x 7311 BECCM *轴承详细参数

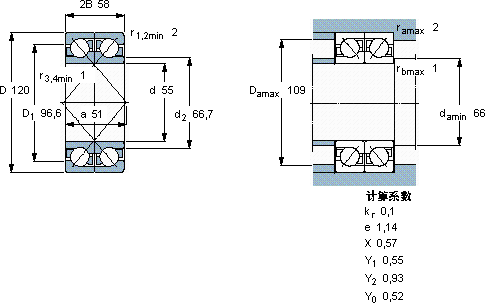
角接触球轴承, 单列,用于配对安装, 面对面配对
主要数据尺寸基本负荷额定值疲劳负荷限值额定速度体积型号轴承配对
动态静态参照速度限制速度
dD2BCC0Pu * - SKF Explorer 轴承
mmkNkNr/minkg--
55120581401205,1560070003,002 × 7311 BECCM *DF

SKF 2 x 7311 BECCM *轴承尺寸图纸

李工:138-8949-5179

刘工:135-0428-8802

地址:辽宁省大连经济技术开发区现代城3栋-13-13号

在线客服系统