李工:138-8949-5179 刘工:135-0428-8802
型号查询
轴承型号   常见搜索: 688a轴承 6021轴承 6026轴承 6028轴承 6012轴承 6009轴承
型号查询 X

轴承专区

Bearings Center

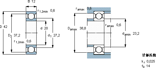
6004 *轴承-SKF 6004 *轴承尺寸、图纸、价格

SKF 6004 *轴承

产品名称:6004 *轴承 品牌:SKF
类型:SKF轴承 > 滚动轴承 > 深沟球轴承
描述:6004 *轴承是【SKF轴承 > 滚动轴承 > 深沟球轴承】的型号,主要用在农业机械、小型汽车前轮、减速装置、差速器、铁路车辆车轴、耕耘机、钢铁厂、陶瓷机械、平地机、机场加油机等各大领域

 电话/微信:138-8949-5179

SKF 6004 *轴承详细信息

6004 *轴承是【SKF轴承 > 滚动轴承 > 深沟球轴承】的型号,主要用在农业机械、小型汽车前轮、减速装置、差速器、铁路车辆车轴、耕耘机、钢铁厂、陶瓷机械、平地机、机场加油机等各大领域。

SKF 6004 *轴承详细参数

深沟球轴承, 单列, 无密封件
主要数据尺寸基本负荷额定值疲劳负荷限值额定速度体积型号
动态静态参照速度限制速度
dDBCC0Pu * - SKF Explorer 轴承
mmkNkNr/minkg-
2042129,9550,21238000240000,0696004 *

SKF 6004 *轴承尺寸图纸

李工:138-8949-5179

刘工:135-0428-8802

地址:辽宁省大连经济技术开发区现代城3栋-13-13号

在线客服系统