轴承专区
Bearings Center
307352轴承-SKF 307352轴承尺寸、图纸、价格
SKF 307352轴承
| 产品名称: | 307352轴承 | 品牌: | SKF |
|---|---|---|---|
| 类型: | SKF轴承 > 滚动轴承 > 角接触球轴承 | ||
| 描述: | 307352轴承是【SKF轴承 > 滚动轴承 > 角接触球轴承】的型号,主要用在后轮、油泵、木工机械、机床主轴、木工机械、起重机吊钩、水力发电机、烟草机械、专用车、港口起重机等各大领域 | ||
电话/微信:138-8949-5179
SKF 307352轴承详细信息
307352轴承是【SKF轴承 > 滚动轴承 > 角接触球轴承】的型号,主要用在后轮、油泵、木工机械、机床主轴、木工机械、起重机吊钩、水力发电机、烟草机械、专用车、港口起重机等各大领域。
SKF 307352轴承详细参数
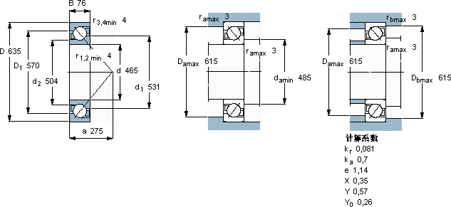
| 角接触球轴承, 单列 | |||||||||||
| 主要数据尺寸 | 尺寸 [英寸] | 疲劳负荷限值 | 额定速度 | 体积 | 型号 | ||||||
| 动态 | 静态 | 参照速度 | 限制速度 | ||||||||
| d | D | B | C | C0 | Pu | ||||||
| mm | kN | kN | r/min | kg | - | ||||||
| 465 | 635 | 76 | 468 | 980 | 17,6 | 900 | 950 | 70,5 | 307352 | ||
SKF 307352轴承尺寸图纸

