轴承专区
Bearings Center
BVNB 328540/HA1轴承-SKF BVNB 328540/HA1轴承尺寸、图纸、价格
SKF BVNB 328540/HA1轴承
| 产品名称: | BVNB 328540/HA1轴承 | 品牌: | SKF |
|---|---|---|---|
| 类型: | SKF轴承 > 滚动轴承 > 圆柱滚子和圆锥滚子组合轴承 | ||
| 描述: | BVNB 328540/HA1轴承是【SKF轴承 > 滚动轴承 > 圆柱滚子和圆锥滚子组合轴承】的型号,主要用在通用电动机、各类变速器、纺织机械传动轴、铁路车辆、印刷机械、机床等的变速装置、轧钢机轧制螺杆用减速机、饮料设备、压路机、太阳能发电设备等各大领域 | ||
电话/微信:138-8949-5179
SKF BVNB 328540/HA1轴承详细信息
BVNB 328540/HA1轴承是【SKF轴承 > 滚动轴承 > 圆柱滚子和圆锥滚子组合轴承】的型号,主要用在通用电动机、各类变速器、纺织机械传动轴、铁路车辆、印刷机械、机床等的变速装置、轧钢机轧制螺杆用减速机、饮料设备、压路机、太阳能发电设备等各大领域。
SKF BVNB 328540/HA1轴承详细参数
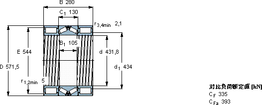
| 组合式圆柱滚子轴承/圆锥滚子轴承, 组合式圆柱滚子轴承/圆锥滚子轴承 | |||||||||||
| 主要数据尺寸 | 基本负荷额定值(1列) | 疲劳限值(1列) | 体积 | 型号 | |||||||
| 径向 | 轴向 | ||||||||||
| 动态 | 静态 | 动态 | 静态 | 径向 | 轴向 | ||||||
| d | D | B | C | C0 | C | C0 | Pu | Pu | |||
| mm | kN | kN | kg | - | |||||||
| 431,8 | 571,5 | 280 | 1280 | 2360 | 1630 | 5850 | 204 | 475 | 200 | BVNB 328540/HA1 | |
SKF BVNB 328540/HA1轴承尺寸图纸

