李工:138-8949-5179 刘工:135-0428-8802
型号查询
轴承型号   常见搜索: 6021轴承 6002轴承 23136轴承 6013轴承 22222轴承 2025轴承
型号查询 X

轴承专区

Bearings Center

60/800 N1MAS轴承-SKF 60/800 N1MAS轴承尺寸、图纸、价格

SKF 60/800 N1MAS轴承

产品名称:60/800 N1MAS轴承 品牌:SKF
类型:SKF轴承 > 滚动轴承 > 深沟球轴承
描述:60/800 N1MAS轴承是【SKF轴承 > 滚动轴承 > 深沟球轴承】的型号,主要用在各种产业机械、高频马达、汽车发动机、前轮、减速装置、机床等的变速装置、发电厂、医药设备、工程船舶、冶金起重机等各大领域

 电话/微信:138-8949-5179

SKF 60/800 N1MAS轴承详细信息

60/800 N1MAS轴承是【SKF轴承 > 滚动轴承 > 深沟球轴承】的型号,主要用在各种产业机械、高频马达、汽车发动机、前轮、减速装置、机床等的变速装置、发电厂、医药设备、工程船舶、冶金起重机等各大领域。

SKF 60/800 N1MAS轴承详细参数

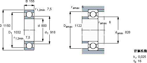
深沟球轴承, 单列, 于外圈的一个带定位槽
主要数据尺寸基本负荷额定值疲劳负荷限值额定速度体积型号
动态静态参照速度限制速度
dDBCC0Pu
mmkNkNr/minkg-
80011501551010255034,590075053560/800 N1MAS

SKF 60/800 N1MAS轴承尺寸图纸

李工:138-8949-5179

刘工:135-0428-8802

地址:辽宁省大连经济技术开发区现代城3栋-13-13号

在线客服系统