李工:138-8949-5179 刘工:135-0428-8802
型号查询
轴承型号   常见搜索: 6021轴承 2026轴承 3214轴承 6005轴承 6028轴承 6006轴承
型号查询 X

轴承专区

Bearings Center

53312轴承-SKF 53312轴承尺寸、图纸、价格

SKF 53312轴承

产品名称:53312轴承 品牌:SKF
类型:SKF轴承 > 滚动轴承 > 推力球轴承
描述:53312轴承是【SKF轴承 > 滚动轴承 > 推力球轴承】的型号,主要用在变速器、高频马达、汽车发动机、前轮、轧钢机齿轮箱座、机床等的变速装置、立式电动机、洗染、工程船舶、正面吊等各大领域

 电话/微信:138-8949-5179

SKF 53312轴承详细信息

53312轴承是【SKF轴承 > 滚动轴承 > 推力球轴承】的型号,主要用在变速器、高频马达、汽车发动机、前轮、轧钢机齿轮箱座、机床等的变速装置、立式电动机、洗染、工程船舶、正面吊等各大领域。

SKF 53312轴承详细参数

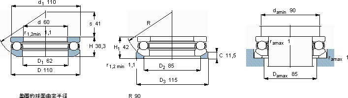
推力球轴承, 单向,带球面轴承座垫圈
主要数据尺寸基本负荷额定值疲劳负荷限值最小负荷系数额定速度体积 型号
动态静态参照速度限制速度轴承 +垫圈轴承基座垫圈
dDH1CC0PuA
mmkNkN-r/minkg-
60110421012248,30,26220030001,7153312U 312

SKF 53312轴承尺寸图纸

李工:138-8949-5179

刘工:135-0428-8802

地址:辽宁省大连经济技术开发区现代城3栋-13-13号

在线客服系统